Easy-to-use evaluation software for the DAC8760 and DAC7760 voltage and current output devices from Texas Instruments. The software allows access to all features of the DACx760 family of devices.

Source code for the DACx760 evaluation module software is included. This includes all dependent VIs and build files to generate executable, installer, and source distribution.

Source code for the SM-USB-DIG firmware is included where all mnemonic command detail can be discovered or modified if the SM-USB-DIG is used independent of the DACx760 evaluation module.

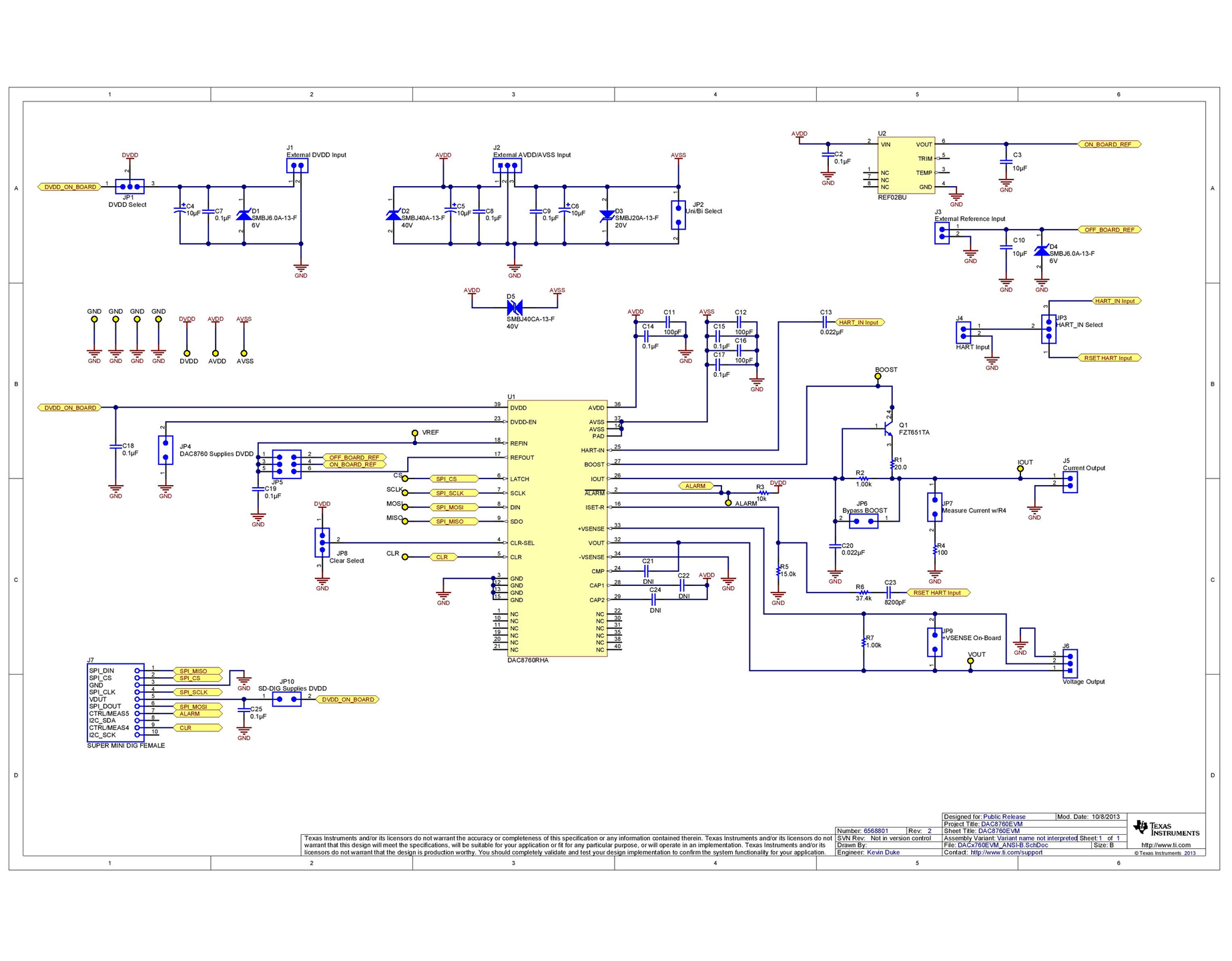
Finally, GERBER files and Altium PCB project files are available for download to be used as a platform to start other projects.

Features

  • Easy to use evaluation software for DACx760
  • Complete access to all DAC8760 features
  • Low level register or high level block diagram views
  • Plug-and-play USB-SD-DIG driver
  • Open-Source software and firmware
  • Altium PCB Project and GERBER files available for download

Project Samples

Project Activity

See All Activity >

Follow DACx760EVM

DACx760EVM Web Site

Other Useful Business Software
Enterprise-grade ITSM, for every business Icon
Enterprise-grade ITSM, for every business

Give your IT, operations, and business teams the ability to deliver exceptional services—without the complexity.

Freshservice is an intuitive, AI-powered platform that helps IT, operations, and business teams deliver exceptional service without the usual complexity. Automate repetitive tasks, resolve issues faster, and provide seamless support across the organization. From managing incidents and assets to driving smarter decisions, Freshservice makes it easy to stay efficient and scale with confidence.
Try it Free

Additional Project Details

Operating Systems

Windows

Intended Audience

Engineering

Programming Language

LabVIEW

Related Categories

LabVIEW Scientific Engineering, LabVIEW SCADA Software, LabVIEW Building Automation Software

Registered

2013-10-15