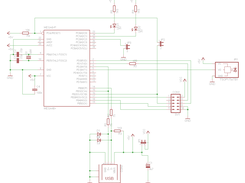
Simple infrared keyboard receiver for Atmels Microcontroller and several Keyboards.
Using Lightweight USB Framework by Dean Camera for xmega and v-usb for mega.

Features

  • Keyboard support for Merlin Ruwido Keyboard
  • Keyboard support for FDC-3402 >=2.0rc1
  • Keyboard support for SWK-8650 alias NETBOX >=2.0rc2
  • USB HID - No extra Driver needed (Thanks to LUFA and v-usb)
  • All keys and modifiers mapped
  • High res up to 48*10^6 reading /s
  • Reads up to 4 modifiers/keycodes simultaneous
  • Mouse Endpoint to control the mouse with the keyboard
  • CDC debug endpoint, prints keycodes (xmega only)
  • Toggle between mouse and keyboard mode
  • Atmega48 and higher is supported in =2.0b2 (no mouse) (thankt to v-usb)
  • Atmega88 and higher is supported in >2.0b2
  • Mouse for atmega88 >2.0b2
  • Mouse wheel >2.0b2
  • Analog mouse support >=2.0rc1
  • Generic interface for adding new IR-Keyboads
  • Support for mega8 family >=2.0rc1

Project Samples

Project Activity

See All Activity >

Follow XMerlinRuwido

XMerlinRuwido Web Site

Other Useful Business Software
MongoDB Atlas runs apps anywhere Icon
MongoDB Atlas runs apps anywhere

Deploy in 115+ regions with the modern database for every enterprise.

MongoDB Atlas gives you the freedom to build and run modern applications anywhere—across AWS, Azure, and Google Cloud. With global availability in over 115 regions, Atlas lets you deploy close to your users, meet compliance needs, and scale with confidence across any geography.
Start Free
Rate This Project
Login To Rate This Project

User Reviews

Be the first to post a review of XMerlinRuwido!

Additional Project Details

Registered

2015-01-26