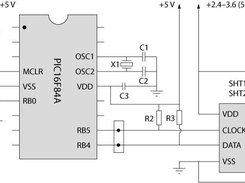
1-wire slave for PIC microcontrollers. Supports SHT1x and SHT2x Sensirion humidity sensors. Programmed in C for PIC16F84A

Project Samples

Project Activity

See All Activity >

Categories

Home Automation

Follow PIC 1-wire slave (SHT1x, SHT2x support)

PIC 1-wire slave (SHT1x, SHT2x support) Web Site

Other Useful Business Software
Forever Free Full-Stack Observability | Grafana Cloud Icon
Forever Free Full-Stack Observability | Grafana Cloud

Our generous forever free tier includes the full platform, including the AI Assistant, for 3 users with 10k metrics, 50GB logs, and 50GB traces.

Built on open standards like Prometheus and OpenTelemetry, Grafana Cloud includes Kubernetes Monitoring, Application Observability, Incident Response, plus the AI-powered Grafana Assistant. Get started with our generous free tier today.
Create free account
Rate This Project
Login To Rate This Project

User Reviews

Be the first to post a review of PIC 1-wire slave (SHT1x, SHT2x support) !

Additional Project Details

Programming Language

C

Related Categories

C Home Automation Software

Registered

2011-05-22